電動叉車或電動牽引車在作業過程中,由于要頻繁地進行啟動、加速和制這些動作都是通過對電動機的控制來實現的。因此,對直流電動機實行及動,時、有效的控制是十分重要的。目前,對串勵型直流電動機的控制主要有啟動控制、調速控制和反轉控制等幾種型式。
直流串勵電動機不能直接接入電源進行啟動。因為在啟動瞬間,電動機的轉速為零,即n=0,此時反電動勢E=0,根據電源電壓與反電動勢以及電陽壓降的關系可知,此時的電樞電流(稱為啟動電流,用I表示)為:Ist=(U-EA)/(RA+RW)=U/(RA+RW)
由于電動機啟動瞬間 E=0,又因為直流勵電動機的磁極繞組的電阻 R和電樞繞組的電阻 Ra都很小,故啟動時的電流很大,約為其額定電流的10倍~20倍。
這樣電動叉車和電動牽引車大的啟動電流會在換向器上產生強烈的火花而燒壞換向器,同時還會使電動機及其所帶動的機械產生很大的沖擊,給工作機械帶來危害,例如使叉車的貨物產生猛烈撞擊或使貨物掉落等。
為了保證電動機在啟動時,既有較大的啟動轉矩又不致燒毀換向器,一般限制在 1.5倍~2.5倍額定電流的范圍之內。所采用的方法是降壓啟動,即降低電動機的端電壓來啟動。降壓啟動通常采取兩種方法,即串接電阻降壓啟動和晶閘管調壓啟動。
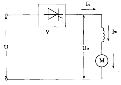
圖一所示,通過直流接觸器 KM和啟動電阻 R調節電動機的電流。在剛啟動時,電動機電路中接入全部電阻 R(R=r1十r2),此時啟動電阻 R 與電動機分壓,于是有:
UM=U-UR
式中:UM一一電動機的端電壓;
U-電源電壓;
UR一外接電阻上的電壓降
圖一 串接電阻啟動
由上式可知,由于電動叉車和電動牽引車剛啟動時接入全部啟動電阻,啟動電流在啟動電阻上的電壓降UR較大,故電動機的端電壓 UM 較低。隨著電動機轉速升高,反電動勢也逐漸增加,電壓降 UR 也減小,UM 則升高,其轉速n也隨之升高。當啟動電阻全部切除時,R-0,因而UR=0、UM=U,即電動機在電源的全電壓下工作啟動完畢。
上述啟動過程可以用圖二所示的啟動特性曲線來表示。當圖一中觸頭KM1及KM2,均斷開時,全部啟動電阻 (r1+r2) 接入,這時電動機的特性如圖二中曲線1所示。曲線2相應于觸頭 KM1閉合,即電阻r1 切除時的機械特性,曲線3相應于觸頭 KM1和KM2都閉合,即全部啟動電阻都切除時的機械特性。利用圖中的特性曲線可以分析電動機啟動過程中轉速及轉矩的變化情況。

圖二 啟動過程
電動叉車或電動牽引車這種啟動方法只能分極啟動,且啟動電阻還有附加損耗,所以不經濟,但這種方法簡單、方便,故在小功率電動機中用得較廣Um 逐漸增大轉速從0逐步加快直到額定轉速,實現啟動,如圖三所示。

圖三 晶閘管調壓啟動
這種啟動方法沒有附加損耗,經濟性好。因電壓可以均勻地增加,使啟動過程很平滑,目前在電動叉車和電動牽引車上基本都采用這種啟動控制方式。
-
3條叉車能耗降低技巧 實用又省錢本文分享3個實用叉車降能耗技巧:保持勻速行駛、減少急剎急啟;避免電機/發動機空轉,長時間等待及時斷電熄火;合理規劃路線、減少空載往返。配合規范操作與定期保養,可降低能耗、延長部件壽命、更省錢。猜你喜歡 ?0
查看更多 -
電動堆高車十大品牌 2026 最新榜單2026年電動堆垛叉車十大品牌包括豐田、林德、永恒力、海斯特、科朗、三菱、諾力、中力、合力、杭叉,各有技術與場景優勢,但價格偏高。預算有限可選新牛盾,源頭工廠、質保一年、性價比高、售后響應快。猜你喜歡 ?0
查看更多 -
多功能定制叉車廠家 新牛盾支持屬具加裝中小工廠預算有限、單一叉車無法滿足全場景堆垛需求,可選擇新牛盾多功能側移叉車定制。通過加裝側移等幾十種屬具實現一機多用,適配多種貨物,窄通道優勢明顯,廠家提供一站式定制服務,高效又省錢。猜你喜歡 ?0
查看更多 -
四驅全地形越野叉車參數 爬坡能力一覽四驅全地形越野叉車專為復雜惡劣戶外工況設計,四輪驅動、高底盤、越野輪胎與大扭矩發動機保障強爬坡能力。3噸、3.5噸、4-5噸車型空載爬坡可達 25°-32°,重載 20°-28°,適配工地、山區、礦山等場景。猜你喜歡 ?0
查看更多 -
低溫環境用什么叉車?耐低溫車型推薦食品、醫藥冷庫作業可選用專用耐低溫叉車,按溫度分級選型:0℃~-18℃用冷庫版電動搬運/堆高車,-18℃~-28℃用低溫鋰電叉車,-28℃以下選超低溫定制款。車輛配低溫電池、專用液壓油、防凍密封與電加熱,適配冷鏈工況。猜你喜歡 ?0
查看更多 -
廣交會叉車品牌 新牛盾叉車支持海外定制第139屆廣交會即將開幕,新牛盾攜堆高車、搬運車、升降平臺等全系列倉儲叉車亮相,具備完整出口資質,支持國內外定制服務。源頭工廠直供性價比高,提供從設計、生產到報關出口一站式外貿服務,適合中小工廠與海外客商采購。猜你喜歡 ?0
查看更多
